![]()

|
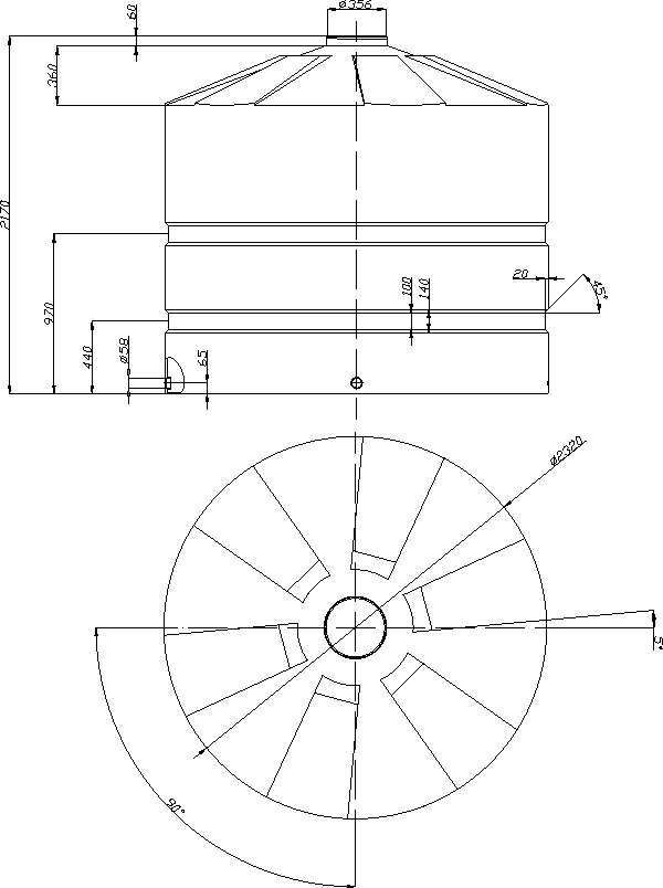
Модель: С8000L
Артикул: 20017 |
|
|
Tweet
Емкость для воды и дизельного топлива на 8000 литров, цилиндрическая вертикальная
* Крышка для емкости поставляется отдельно. Пластиковые цилиндрической или прямоугольной формы с винтовой крышкой изготавливаются на нашем заводе и реализуются прямо со склада производства в г.Москве по ценам производителя. Модели емкостей ЕЭЦ и ЕЭП выполнены из пластика, и предназначены для накопления, хранения и транспортировки различных сред. Данные емкости являются вертикальными емкостями на 8 куб. м. и могут использоваться для хранения жидких и сыпучих веществ (зерно, крахмал, мука и пр.) Емкость любой модели, объемом 8 куб.м имеет толщину стенок корпуса около 7-8 мм и выполнены в форме цилиндра или в прямоугольной форме. Производимые нами кубовые емкости имеют корпусные ребра жесткости (кроме цилиндрических емкостей) для предотвращения деформации корпуса и одну верхнюю горловину 360 мм в диаметре, с резьбовой пластиковой крышкой. Каждая пластиковая емкость 8000 литров изготавливается методом ротационного формирования из прочного пластика, по имеющейся на заводе металлической пресс-форме под строгим технологическим контролем. Таким образом равномерность толщины стенок при ротационном формировании позволяет получить максимально качественные емкости для хранения и накопления не только воды, но и различных ГСМ (согласно паспортным нормам). Современная пластиковая емкость 8000 л может эксплуатироваться в различных климатических условия при диапазоне температур от -40 град.С до +50 град.С. При этом емкость пластиковая на 1000 л может использоваться только под указанные сертификатом соответствия вещества (дизтопливо, слабые растворы щелочей и пр.) Как уже говорилось, емкость для воды и топлива на 8000 л или 8м3 имеют верхнюю горловину с резьбовой крышкой. Это позволяет выполнять процедуры по обслуживанию прямоугольных и цилиндрических емкостей внутри (промывка, установка погружного насоса пр.) Так же верхняя форма емкости позволяет установить комплект топливной обвязки для обеспечения дозированного топливозабора и подключения емкости к котлу. Изготовленная на производстве емкость 8000 л выполнена из пластика и оснащена сливным техническим отверстием с внутренними резьбами диаметром 1" и 2”, располагающихся симметрично ( прямоугольные емкости имеют только один технический выход внизу на 1”). Так же дополнительные отводы могут быть вмонтированы в емкость как самостоятельно, так и на нашем производстве (см. прайс отвод из бака в сборе). Для этого необходимо на чертеже определить место установки отвода в емкости, а так же резьбовой параметр отвода от ? до 2”. Не рекомендуется использовать пластиковые бочки под сильным внешним давлением. Основная гамма цветов пластиковых резервуаров: синий, черный и зеленый. Для хранения топлива мы можем изготовить емкость белого цвета, в которой будет хорошо просматриваться уровень топлива. Транспортировка 8000–литровой емкости для воды и топлива возможна на газели или на открытом багажнике легкового автомобиля в лежачем положении. Установка емкости производится на жесткое основание, которое не деформируется при максимальном давлении емкости на его площадь. Данный материал будет полезен заказчикам и монтажным организациям которые ищут пластиковую емкость по запросам «куплю емкость 8000 литров» или «продам емкость 8куб м». Дополнительно по эксплуатации емкости выдается технический паспорт и сертификат соответствия на каждый вид пластиковой продукции. |
|